530 B
530 B
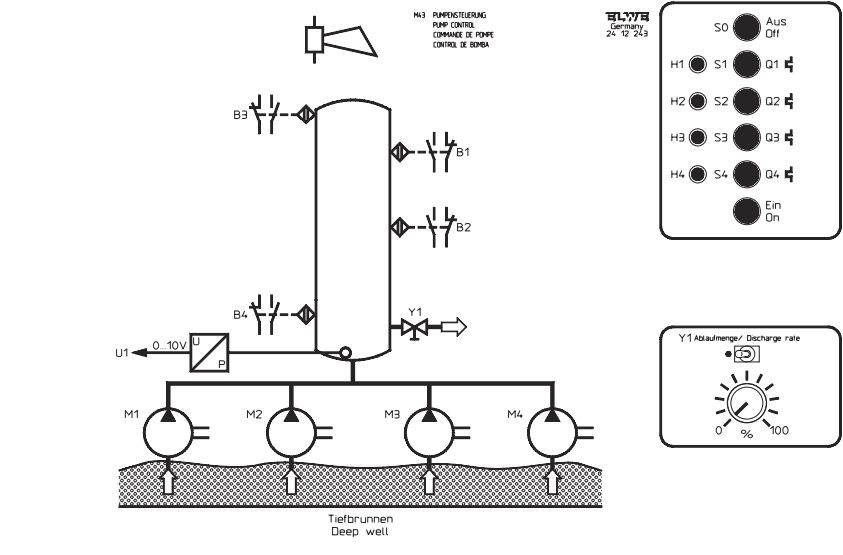
Réservoir
Un réservoir se vide avec une vitesse réglée sur la consigne. Mettre en route le nombre de moteur nécessaire pour que le niveau soit toujours enrte c1 et c2
Le programme utilise des tableaux
- m0, m1, m2 et m3 sont remplacés par moteur[0], moteur[1], moteur[2] et moteur[3]
- c0, c1, c2, c3 sont remplacés par capteur[0] ...
Mode capteurs seulement
En utilisant uniquement les capteurs (sans indication du niveau). Faire en sorte que le niveau soit toujours entre c1 et c2.
